Serija profila bez prekinutog termičkog mosta namijenjena za izradu dvokrilnih ili višekrilnih prozora i vrata. Štokovi mogu biti s jednom, dvije ili tri staze.
                Mogućnost ostakljenja debljine: od 6 – 20 mm.
                Nosivost krila 220 kg.Stakla se postavlja umetanjem u okvir prilikom izrade krila. Nema mogućnosti ostakljenja letvicom za staklo. Sistem se temelji na klizanju krila po donjoj vodilici.
            
S obzirom na loša izolacijska svojstva i veliku mogućnost kondenzacije vodene pare na profilima, preporučuje ga se ugrađivati samo na pozicije kod kojih nema velikih temperaturnih razlika između unutarnjeg i vanjskog prostora ( unutarnje pregradne stijene, industrijski objekti i sl. )

                – legura UNI EN 573, UNI EN 755-2
                – čvrstoća DIN EN 755 T2
                – sastav DIN EN 573 T3
                – tolerancije i debljina: UNI EN 12020-2
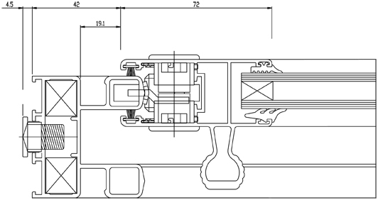
                – vidljivi okvir: 42 mm
                – vidljivo krilo: 72 mm
            
                Zrakonepropusnost
                Vodonepropusnost
                Otpornost na vjetar
            
                EN 1026, EN 12207
                EN 1027, EN 12208
                EN 12211, EN 12210
            
                razred 2
                razred 4A
                razred B3